IP of Optics light-life time imaging
proposed by Prof.Satoshi Nishimura image00 / Jichi Med Univ(JAPAN)

Specs: Collaborative work with Fujita-sensei (osaka univ.)
Patent expired.

E-mail: If interested (snishi-tky(a-mark)ninus.ocn.ne.jp ) image00

Back to top image00



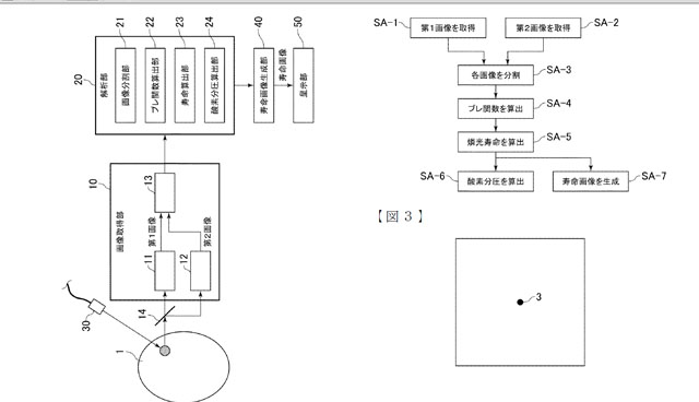
Life time visualized by slow- and fast-scanning
Photo-luminence signal(red) is used.

Image differences between two scans depend on "light life-time".
This method is optically easy.


Life-time calculated from PSF.